Family Overvoltage Protection for 2 to 4-Series Cell Li-Ion Batts w Ext Delay Capacitor
Texas Instruments
RSS
Sample
- Darmowa próbka
- MPN:
- BQ7716
- Producent:
- TEXAS INSTRUMENTS
- Dodany do bazy:
- Ostatnio widziany:
Sugerowane produkty dla bq7716
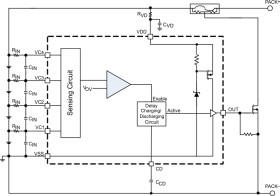
The BQ7716xy device family provides an overvoltage monitor and protector for Li-Ion battery pack systems. Each cell is monitored independently for an overvoltage condition. For quicker production-line testing, the BQ7716xy device provides a Customer Test Mode with greatly reduced delay time.
In the BQ7716xy device, an external delay timer is initiated upon detection of an overvoltage condition on any cell. Upon expiration of the delay timer, the output is triggered into its active state (either high or low, depending on the configuration). The external delay timer feature also includes the ability to detect an open or shorted delay capacitor on the CD pin, which will similarly trigger the output driver in an overvoltage condition.
Elecena nie prowadzi sprzedaży elementów elektronicznych, ani w niej nie pośredniczy.
Produkt pochodzi z oferty sklepu Texas Instruments