elecena.pl

1.5-V to 18-V, 25-A synchronous SWIFT™ buck converter with differential remote sense and PMBus

Texas Instruments

1.5-V to 18-V, 25-A synchronous SWIFT™ buck converter with differential remote sense and PMBus RSS Sample
  • Darmowa próbka
MPN:
TPS549B22
Producent:
TEXAS INSTRUMENTS
Dodany do bazy:
Ostatnio widziany:

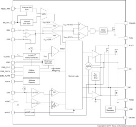
The TPS549B22 device is a compact single buck converter with adaptive on-time, D-CAP3 control mode. The device is designed for high accuracy, high efficiency, fast transient response, ease-of-use, low external component count and space-conscious power systems.

This device features full differential sense and TI integrated FETs with a high-side on-resistance of 4.1mΩ and a low-side on-resistance of 1.9mΩ. The device also features an accurate 0.5%, 0.9V reference with an ambient temperature range between –40°C and +125°C. Competitive features include: very low external component count, accurate load regulation and line regulation, auto-skip or FCCM mode operation, and internal soft-start control.

The TPS549B22 device is available in 7mm × 5mm, 40-pin, LQFN-CLIP (RVF) package (RoHs exempt).

Elecena nie prowadzi sprzedaży elementów elektronicznych, ani w niej nie pośredniczy.

Produkt pochodzi z oferty sklepu