elecena.pl

2 0.00 PLN 0.00 PLN
  1. High-Efficiency, Wide Brightness Range, CCFL Backlight Controllers Sample
    Do sklepu »

    High-Efficiency, Wide Brightness Range, CCFL Backlight Controllers

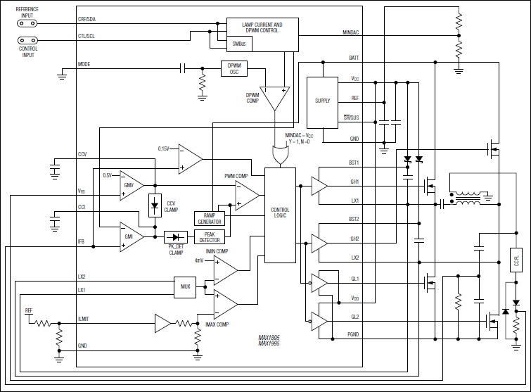
    ... voltage (both MAX1895 and MAX1995) or a two-wire ...
    • Darmowa próbka
    Sklep:
    Analog Devices
    Producent:
    ANALOG DEVICES
    MPN:
    MAX1895
    Dodany:
  2. High-Efficiency, Wide Brightness Range, CCFL Backlight Controllers Sample
    Do sklepu »

    High-Efficiency, Wide Brightness Range, CCFL Backlight Controllers

    ... voltage (both MAX1895 and MAX1995) or a two-wire ...
    • Darmowa próbka
    Sklep:
    Analog Devices
    Producent:
    ANALOG DEVICES
    MPN:
    MAX1995
    Dodany: