elecena.pl

208 3.67 PLN 140017.99 PLN
  1. CMOS 300 MSPS Complete DDS Sample
    Do sklepu »

    CMOS 300 MSPS Complete DDS

    The AD9852 digital synthesizer is a highly ...
    • Darmowa próbka
    Sklep:
    Analog Devices
    Producent:
    ANALOG DEVICES
    MPN:
    AD9852
    Dodany:
    Zmiana ceny:
    -100%
  2. High Accuracy, Dual-Axis Digital Inclinometer and Accelerometer Sample
    Do sklepu »

    High Accuracy, Dual-Axis Digital Inclinometer and Accelerometer

    The ADIS16209 is a high accuracy, digital ...
    • Darmowa próbka
    Sklep:
    Analog Devices
    Producent:
    ANALOG DEVICES
    MPN:
    ADIS16209
    Dodany:
    Zmiana ceny:
    -100%
  3. High Accuracy, 18-Bit Digital-to-Analog Converter Sample
    Do sklepu »

    High Accuracy, 18-Bit Digital-to-Analog Converter

    The AD1139 is the first DAC offering 18-bit ...
    • Darmowa próbka
    Sklep:
    Analog Devices
    Producent:
    ANALOG DEVICES
    MPN:
    AD1139
    Dodany:
  4. Dual, 11-Bit/16-Bit, 12.6 GSPS RF DAC with Wideband Channelizers Sample
    Do sklepu »

    Dual, 11-Bit/16-Bit, 12.6 GSPS RF DAC with Wideband Channelizers

    The AD9175 is a high performance, dual, 16-bit ...
    • Darmowa próbka
    Sklep:
    Analog Devices
    Producent:
    ANALOG DEVICES
    MPN:
    AD9175
    Dodany:
    Zmiana ceny:
    -100%
  5. 16-Channel, Battery Pack Monitoring System Sample
    Do sklepu »

    16-Channel, Battery Pack Monitoring System

    The ADBMS6948 is a multi-cell battery monitor with ...
    • Darmowa próbka
    Sklep:
    Analog Devices
    Producent:
    ANALOG DEVICES
    MPN:
    ADBMS6948
    Dodany:
    Zmiana ceny:
    -100%
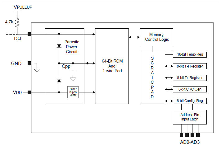
  6. Econo Parasite-Power Digital Thermometer Sample
    Do sklepu »

    Econo Parasite-Power Digital Thermometer

    The DS1822-PAR is a digital thermometer with ±2°C ...
    • Darmowa próbka
    Sklep:
    Analog Devices
    Producent:
    ANALOG DEVICES
    MPN:
    DS1822-PAR
    Obudowa:
    TO-92
    Dodany:
    Zmiana ceny:
    -100%
  7. Programmable Resolution 1-Wire Digital Thermometer With 4-Bit ID Sample
    Do sklepu »

    Programmable Resolution 1-Wire Digital Thermometer With 4-Bit ID

    The DS1825 digital thermometer provides 9 to 12- ...
    • Darmowa próbka
    Sklep:
    Analog Devices
    Producent:
    ANALOG DEVICES
    MPN:
    DS1825
    Dodany:
    Zmiana ceny:
    -100%
  8. Programmable Resolution 1-Wire Digital Thermometer Sample
    Do sklepu »

    Programmable Resolution 1-Wire Digital Thermometer

    The DS18B20 digital thermometer provides 9-bit to ...
    • Darmowa próbka
    Sklep:
    Analog Devices
    Producent:
    ANALOG DEVICES
    MPN:
    DS18B20
    Obudowa:
    TO-92
    Dodany:
    Zmiana ceny:
    -100%
  9. 1-Wire Quad A/D Converter Sample
    Do sklepu »

    1-Wire Quad A/D Converter

    The DS2450 1-Wire® Quad A/D Converter is based on ...
    • Darmowa próbka
    Sklep:
    Analog Devices
    Producent:
    ANALOG DEVICES
    MPN:
    DS2450
    Dodany:
  10. 14-Bit, +5V, 200ksps ADC with 10µA Shutdown Sample
    Do sklepu »

    14-Bit, +5V, 200ksps ADC with 10µA Shutdown

    The MAX1062 low-power, 14-bit analog-to-digital ...
    • Darmowa próbka
    Sklep:
    Analog Devices
    Producent:
    ANALOG DEVICES
    MPN:
    MAX1062
    Dodany:
    Zmiana ceny:
    -100%
  11. 14-Bit, +5V, 200ksps ADC with 10µA Shutdown Sample
    Do sklepu »

    14-Bit, +5V, 200ksps ADC with 10µA Shutdown

    The MAX11101 low-power, 14-bit analog-to-digital ...
    • Darmowa próbka
    Sklep:
    Analog Devices
    Producent:
    ANALOG DEVICES
    MPN:
    MAX11101
    Dodany:
    Zmiana ceny:
    -100%
  12. 2Msps/3Msps, Low-Power, Serial 12-/10-/8-Bit ADCs Sample
    Do sklepu »

    2Msps/3Msps, Low-Power, Serial 12-/10-/8-Bit ADCs

    The MAX11102, MAX11103, MAX11105, MAX11106, ...
    • Darmowa próbka
    Sklep:
    Analog Devices
    Producent:
    ANALOG DEVICES
    MPN:
    MAX11102
    Dodany:
  13. 2Msps/3Msps, Low-Power, Serial 12-/10-/8-Bit ADCs Sample
    Do sklepu »

    2Msps/3Msps, Low-Power, Serial 12-/10-/8-Bit ADCs

    The MAX11102, MAX11103, MAX11105, MAX11106, ...
    • Darmowa próbka
    Sklep:
    Analog Devices
    Producent:
    ANALOG DEVICES
    MPN:
    MAX11103
    Dodany:
  14. 2Msps/3Msps, Low-Power, Serial 12-/10-/8-Bit ADCs Sample
    Do sklepu »

    2Msps/3Msps, Low-Power, Serial 12-/10-/8-Bit ADCs

    The MAX11102, MAX11103, MAX11105, MAX11106, ...
    • Darmowa próbka
    Sklep:
    Analog Devices
    Producent:
    ANALOG DEVICES
    MPN:
    MAX11105
    Dodany:
  15. 2Msps/3Msps, Low-Power, Serial 12-/10-/8-Bit ADCs Sample
    Do sklepu »

    2Msps/3Msps, Low-Power, Serial 12-/10-/8-Bit ADCs

    The MAX11102, MAX11103, MAX11105, MAX11106, ...
    • Darmowa próbka
    Sklep:
    Analog Devices
    Producent:
    ANALOG DEVICES
    MPN:
    MAX11106
    Dodany: