elecena.pl

  1. Podgląd PDFa
    Do dokumentacji »

    SST26VF032BEUI

    SST26VF032BEUI - 32-Mbit Serial Quad I/O™ (SQI™) Flash Memory with EUI-48 and EUI-64 Identifier Data Sheet
    Producent:
    Microchip
    Rozmiar:
    2119 kB
    Stron:
    75
  2. Podgląd PDFa
    Do dokumentacji »

    MAX14617

    USB Host Charger Identification/Adapter Emulator
    Producent:
    Analog Devices
    Rozmiar:
    2065 kB
    Stron:
    13
  3. Podgląd PDFa
    Do dokumentacji »

    MAX14600

    MAX14600, MAX14601, MAX14602, MAX14603, MAX14604, MAX14605, MAX14618 USB Host Charger Identification/Adapter Emulators
    Producent:
    Maxim Integrated
    Rozmiar:
    1967 kB
    Stron:
    16
  4. Podgląd PDFa
    Do dokumentacji »

    MAX14618

    MAX14618 USB Host Charger Identification/Adapter Emulator
    Producent:
    Maxim Integrated
    Rozmiar:
    1897 kB
    Stron:
    16
  5. Podgląd PDFa
    Do dokumentacji »

    MAX14566BE

    USB Host Charger Identification Analog Switches
    Producent:
    Analog Devices
    Rozmiar:
    1594 kB
    Stron:
    15
  6. Podgląd PDFa
    Do dokumentacji »

    MAX14550E

    USB Host Charger Identification Analog Switch
    Producent:
    Analog Devices
    Rozmiar:
    1537 kB
    Stron:
    17
  7. Podgląd PDFa
    Do dokumentacji »

    MAX14601

    USB Host Charger Identification/Adapter Emulators
    Producent:
    Analog Devices
    Rozmiar:
    1240 kB
    Stron:
    16
  8. Podgląd PDFa
    Do dokumentacji »

    M24M02-DWMN3TP/K

    Identification, Authentication, Security ICs
    Producent:
    STMicroelectronics
    Rozmiar:
    563 kB
    Stron:
    38
  9. Podgląd PDFa
    Do dokumentacji »

    SLG55596A

    USB Host Charger Identification
    Producent:
    Renesas Electronics
    Rozmiar:
    478 kB
    Stron:
    11
  10. Podgląd PDFa
    Do dokumentacji »

    SLG55594A

    USB Host Charger Identification
    Producent:
    Renesas Electronics
    Rozmiar:
    404 kB
    Stron:
    10
  11. Podgląd PDFa
    Do dokumentacji »

    CC6181-000

    TE Connectivity TE RAY Identification Application Equipment CC6181-000, 1 szt.
    Producent:
    TE Connectivity
    Rozmiar:
    346 kB
    Stron:
    3
  12. Podgląd PDFa
    Do dokumentacji »

    SLG55590A

    USB Host Charger Identification
    Producent:
    Renesas Electronics
    Rozmiar:
    316 kB
    Stron:
    10
  13. Podgląd PDFa
    Do dokumentacji »

    SLG55593A

    USB Host Charger Identification
    Producent:
    Renesas Electronics
    Rozmiar:
    313 kB
    Stron:
    10
  14. Podgląd PDFa
    Do dokumentacji »

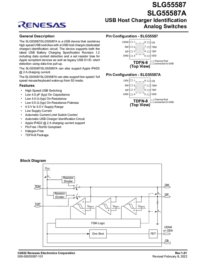
    SLG55587

    USB Host Charger Identification
    Producent:
    Renesas Electronics
    Rozmiar:
    232 kB
    Stron:
    10
  15. Podgląd PDFa
    Do dokumentacji »

    EC8869-000

    TE Connectivity TE RAY Identification Application Equipment EC8869-000, 1 szt.
    Producent:
    TE Connectivity
    Rozmiar:
    148 kB
    Stron:
    3
  16. Podgląd PDFa
    Do dokumentacji »

    978190-000

    TE Connectivity TE RAY Cable Identification - Non-Computerized 978190-000, 50 szt.
    Producent:
    TE Connectivity
    Rozmiar:
    132 kB
    Stron:
    3
  17. Podgląd PDFa
    Do dokumentacji »

    571230-000

    TE Connectivity TE RAY Cable Identification - Non-Computerized 571230-000, 300 szt.
    Producent:
    TE Connectivity
    Rozmiar:
    81 kB
    Stron:
    3
  18. Podgląd PDFa
    Do dokumentacji »

    201082-000

    TE Connectivity TE RAY Cable Identification - Non-Computerized 201082-000, 50 szt.
    Producent:
    TE Connectivity
    Rozmiar:
    81 kB
    Stron:
    3