elecena.pl

3.5-V to 36-V input, 1-V to 20-V output, 6-A power module

Texas Instruments

3.5-V to 36-V input, 1-V to 20-V output, 6-A power module RSS Sample
  • Darmowa próbka
MPN:
LMZM33606
Producent:
TEXAS INSTRUMENTS
Dodany do bazy:
Ostatnio widziany:

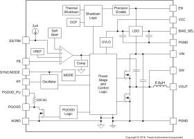
The LMZM33606 power module is an easy-to-use integrated power solution that combines a 6-A DC/DC converter with power MOSFETs, a shielded inductor, and passives in a low-profile package. This power solution requires as few as four external components and eliminates the loop compensation and inductor part selection from the design process.

The 16 mm × 10 mm × 4 mm, 41-pin, QFN package is easy to solder onto a printed circuit board and allows a compact, low-profile point-of-load design. The LMZM33606 feature set includes power good, adjustable soft start, tracking, synchronization, programmable UVLO, prebias start-up, selectable auto or FPWM modes, as well as over-current and over-temperature protection. The LMZM33606 can be configured as negative output voltage for inverting applications.

Elecena nie prowadzi sprzedaży elementów elektronicznych, ani w niej nie pośredniczy.

Produkt pochodzi z oferty sklepu