75V Synchronous Buck Controller With Wide Input Voltage and Duty Cycle Ranges
Texas Instruments
RSS
Sample
- Darmowa próbka
- MPN:
- LM5145
- Producent:
- TEXAS INSTRUMENTS
- Dodany do bazy:
- Ostatnio widziany:
Sugerowane produkty dla lm5145
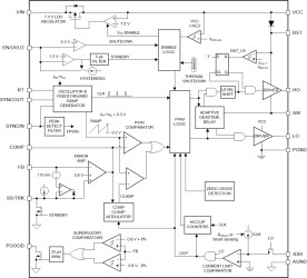
The LM5145 75-V synchronous buck controller regulates from a high input voltage source or from an input rail subject to high voltage transients, minimizing the need for external surge suppression components. A high-side switch minimum on-time of 40 ns gives large step-down ratios, enabling the direct step-down conversion from a 48-V nominal input to low-voltage rails for reduced system complexity and solution cost. The LM5145 continues to operate during input voltage dips as low as 6 V, at nearly 100% duty cycle if needed, making it an excellent choice for high-performance industrial control, robotic, datacom, and RF power applications.
Forced-PWM (FPWM) operation eliminates switching frequency variation to minimize EMI, while user-selectable diode emulation lowers current consumption at light-load conditions. The adjustable switching frequency as high as 1 MHz can be synchronized to an external clock source to eliminate beat frequencies in noise-sensitive applications.
Elecena nie prowadzi sprzedaży elementów elektronicznych, ani w niej nie pośredniczy.
Produkt pochodzi z oferty sklepu Texas Instruments