elecena.pl

Automotive 1.5-V to 42-V VIN, low IQ boost controller with 6.8V, 7.5V, 8.5V, 10.5V output options

Texas Instruments

Automotive 1.5-V to 42-V VIN, low IQ boost controller with 6.8V, 7.5V, 8.5V, 10.5V output options RSS Sample
  • Darmowa próbka
MPN:
LM5150-Q1
Producent:
TEXAS INSTRUMENTS
Dodany do bazy:
Ostatnio widziany:

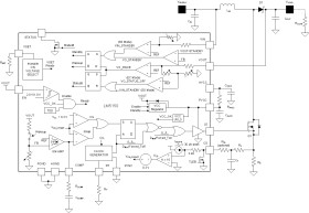
The LM5150-Q1 device is a wide input range automatic boost controller. The device is suitable for use as a pre-boost converter which maintains the output voltage from a vehicle battery during automotive cranking or from a back-up battery during the loss of vehicle battery.

The LM5150-Q1 switching frequency is programmed by a resistor from 220 kHz to 2.3 MHz. Fast switching (≥ 2.2 MHz) minimizes AM band interference and allows for a small solution size and fast transient response.

The LM5150-Q1 operates in low IQ standby mode when the input or output voltage is above the preset standby thresholds and automatically wakes up when the output voltage drops below the preset wake-up threshold.

The device transients in and out of the low IQ standby mode to extend battery life at light load. A single resistor programs the target output regulation voltage as well as the configuration. Additional features include low shutdown current, boost status indicator, adjustable cycle-by-cycle current limit, and thermal shutdown.

Elecena nie prowadzi sprzedaży elementów elektronicznych, ani w niej nie pośredniczy.

Produkt pochodzi z oferty sklepu