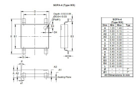
Mostek prostowniczy Pełny mostek 1000V SOPA-4
RS Components
RSS
0.34
x 3000
Przejdź do sklepu »
- Zgodny z RoHS
- MPN:
- ABS20T1M
- Kod:
- 2548489
- Minimalne zamówienie:
- 3 000 szt.
- Producent:
- DiodesZetex
- Dodany do bazy:
- Ostatnio widziany:
- Zmiana ceny:
- -21% (06.08.2025)
- Poprzednia cena:
- 0.43
Sugerowane produkty dla sopa4
Prostownik mostkowy DiodeZetex o szybkiej regeneracji ma niezawodną, niedrogą konstrukcję z wykorzystaniem technologii formowanego tworzywa sztucznego.
Elecena nie prowadzi sprzedaży elementów elektronicznych, ani w niej nie pośredniczy.
Produkt pochodzi z oferty sklepu RS Components