elecena.pl

750 1.96 PLN 823.41 PLN
  1. 3.8-Gbps 4-channel differential 8-to-16 and 16-to-8 mux for DVI 1.0/HDMI 1.3 applications Sample
    Do sklepu »

    3.8-Gbps 4-channel differential 8-to-16 and 16-to-8 mux for DVI 1.0/HDMI 1.3 applications

    ... set-top box, or game console) that must be routed ...
    • Darmowa próbka
    Sklep:
    Texas Instruments
    Producent:
    TEXAS INSTRUMENTS
    MPN:
    TS3DV421
    Dodany:
  2. 3.4-Gbps 12-channel differential 1-to-2 and 2-to-1 mux for DVI 1.0 /HDMI 1.4 applications Sample
    Do sklepu »

    3.4-Gbps 12-channel differential 1-to-2 and 2-to-1 mux for DVI 1.0 /HDMI 1.4 applications

    ... set-top box, or game console) that are routed to ...
    • Darmowa próbka
    Sklep:
    Texas Instruments
    Producent:
    TEXAS INSTRUMENTS
    MPN:
    TS3DV621
    Dodany:
  3. 175-W stereo, 350-W mono, 12- to 38-V supply, digital input Class-D Smart Audio Amplifier Sample
    Do sklepu »

    175-W stereo, 350-W mono, 12- to 38-V supply, digital input Class-D Smart Audio Amplifier

    ... by TI PurePath™ Console Graphical tuning ...
    • Darmowa próbka
    Sklep:
    Texas Instruments
    Producent:
    TEXAS INSTRUMENTS
    MPN:
    TAS3251
    Dodany:
  4. Video Decoder and Display Processor Sample
    Do sklepu »

    Video Decoder and Display Processor

    ... head units * Central console and rear seat ...
    • Darmowa próbka
    Sklep:
    Analog Devices
    Producent:
    ANALOG DEVICES
    MPN:
    ADV7186
    Dodany:
    Zmiana ceny:
    -100%
  5. NFC Forum-Compliant Front-End IC with Superior RF Performance for Automotive Sample
    Do sklepu »

    NFC Forum-Compliant Front-End IC with Superior RF Performance for Automotive

    ... and center console applications. The NCx3321 ...
    • Darmowa próbka
    Sklep:
    NXP
    Producent:
    NXP
    MPN:
    NCF3321AHF
    Dodany:
  6. Sample
    Do sklepu »

    Super Baseboard Management Controller with Integrated VGA Controller

    ... functions. Applications * Console Redirect with ...
    • Darmowa próbka
    Sklep:
    Analog Devices
    Producent:
    ANALOG DEVICES
    MPN:
    VSC452
    Dodany:
  7. Smart, Compact, 6A, Power-Path Selector with Reset Control Sample
    Do sklepu »

    Smart, Compact, 6A, Power-Path Selector with Reset Control

    ... * Cameras * Game Console * Smart Phones ...
    • Darmowa próbka
    Sklep:
    Analog Devices
    Producent:
    ANALOG DEVICES
    MPN:
    MAX14740
    Dodany:
  8. Smart, Compact, 6A, Power-Path Selector with Reset Control Sample
    Do sklepu »

    Smart, Compact, 6A, Power-Path Selector with Reset Control

    ... * Cameras * Game Console * Smart Phones ...
    • Darmowa próbka
    Sklep:
    Analog Devices
    Producent:
    ANALOG DEVICES
    MPN:
    MAX14741
    Dodany:
  9. Smart, Compact, 6A, Power-Path Selector with Reset Control Sample
    Do sklepu »

    Smart, Compact, 6A, Power-Path Selector with Reset Control

    ... * Cameras * Game Console * Smart Phones ...
    • Darmowa próbka
    Sklep:
    Analog Devices
    Producent:
    ANALOG DEVICES
    MPN:
    MAX14742
    Dodany:
  10. Smart, Compact, 6A, Power-Path Selector with Reset Control Sample
    Do sklepu »

    Smart, Compact, 6A, Power-Path Selector with Reset Control

    ... * Cameras * Game Console * Smart Phones ...
    • Darmowa próbka
    Sklep:
    Analog Devices
    Producent:
    ANALOG DEVICES
    MPN:
    MAX20320
    Dodany:
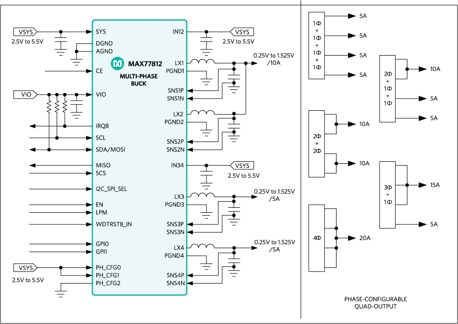
  11. 20A User-Configurable Quad-Phase Buck Converter Sample
    Do sklepu »

    20A User-Configurable Quad-Phase Buck Converter

    ... to Make Your Portable Game Console Play Longer ...
    • Darmowa próbka
    Sklep:
    Analog Devices
    Producent:
    ANALOG DEVICES
    MPN:
    MAX77812
    Dodany:
  12. SiHA15N60E E Series Power MOSFET Sample
    Do sklepu »

    SiHA15N60E E Series Power MOSFET

    ... * oTelevisions * oGame console * oComputing ...
    • Darmowa próbka
    Sklep:
    Vishay
    Producent:
    VISHAY
    MPN:
    SiHA15N60E
    Obudowa:
    TO-220
    Dodany:
  13. SiHA22N60E E Series Power MOSFET Sample
    Do sklepu »

    SiHA22N60E E Series Power MOSFET

    ... * oTelevisions * oGame console * oComputing ...
    • Darmowa próbka
    Sklep:
    Vishay
    Producent:
    VISHAY
    MPN:
    SiHA22N60E
    Obudowa:
    TO-220
    Dodany:
  14. SiHA12N60E E Series Power MOSFET Sample
    Do sklepu »

    SiHA12N60E E Series Power MOSFET

    ... * oTelevisions * oGame console * oComputing ...
    • Darmowa próbka
    Sklep:
    Vishay
    Producent:
    VISHAY
    MPN:
    SiHA12N60E
    Obudowa:
    TO-220
    Dodany:
  15. 7-W, digital input smart amp with I/V sense for speaker protection & integrated 13-V Class-H boost Sample
    Do sklepu »

    7-W, digital input smart amp with I/V sense for speaker protection & integrated 13-V Class-H boost

    ... configured with PurePath Console GUI. The Class ...
    • Darmowa próbka
    Sklep:
    Texas Instruments
    Producent:
    TEXAS INSTRUMENTS
    MPN:
    TAS2564
    Dodany: