elecena.pl

750 0.02 PLN 0.78 PLN
  1. 2.7-V to 5.6-VIN low-noise switched-capacitor boost doubler Sample
    Do sklepu »

    2.7-V to 5.6-VIN low-noise switched-capacitor boost doubler

    The LM2750 is a regulated switched-capacitor ...
    • Darmowa próbka
    Sklep:
    Texas Instruments
    Producent:
    TEXAS INSTRUMENTS
    MPN:
    LM2750
    Dodany:
  2. Single, 24-V, 17-MHz, RRO operational amplifier Sample
    Do sklepu »

    Single, 24-V, 17-MHz, RRO operational amplifier

    The LM6211 is a wide bandwidth, low noise op amp ...
    • Darmowa próbka
    Sklep:
    Texas Instruments
    Producent:
    TEXAS INSTRUMENTS
    MPN:
    LM6211
    Dodany:
  3. 150-mA, 26-V, low-dropout voltage regulator with reverse voltage protection Sample
    Do sklepu »

    150-mA, 26-V, low-dropout voltage regulator with reverse voltage protection

    ... of 0.6V or less. ... low as 5.6V. Familiar regulator ...
    • Darmowa próbka
    Sklep:
    Texas Instruments
    Producent:
    TEXAS INSTRUMENTS
    MPN:
    LM2930
    Dodany:
  4. High Voltage Capacitor Charger Controller with Regulation Sample
    Do sklepu »

    High Voltage Capacitor Charger Controller with Regulation

    ... for VCC ≤ 8V * Selectable 5.6V or 10.5V ...
    • Darmowa próbka
    Sklep:
    Analog Devices
    Producent:
    ANALOG DEVICES
    MPN:
    LT3751
    Dodany:
    Zmiana ceny:
    -100%
  5. 72V, 6 Output DC/DC SEPIC μModule (Power Module) Regulator Sample
    Do sklepu »

    72V, 6 Output DC/DC SEPIC μModule (Power Module) Regulator

    ... is internally set to 5.6V for optimal efficiency ...
    • Darmowa próbka
    Sklep:
    Analog Devices
    Producent:
    ANALOG DEVICES
    MPN:
    LTM8008
    Dodany:
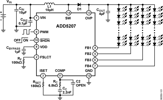
  6. Four-String, White LED Driver for LCD Backlight Application Sample
    Do sklepu »

    Four-String, White LED Driver for LCD Backlight Application

    The ADD5207 is a white LED driver for backlight ...
    • Darmowa próbka
    Sklep:
    Analog Devices
    Producent:
    ANALOG DEVICES
    MPN:
    ADD5207
    Dodany:
  7. 6-Channel Video Amplifier with 3-SD and 3-SD/ED/HD/Full-HD Filters and High Gain Sample
    Do sklepu »

    6-Channel Video Amplifier with 3-SD and 3-SD/ED/HD/Full-HD Filters and High Gain

    Fabricated using the revolutionary, complementary ...
    • Darmowa próbka
    Sklep:
    Texas Instruments
    Producent:
    TEXAS INSTRUMENTS
    MPN:
    THS7360
    Dodany:
  8. 4-Channel SDTV Video Amplifier with 6th-Order Filters and 15-dB Gain Sample
    Do sklepu »

    4-Channel SDTV Video Amplifier with 6th-Order Filters and 15-dB Gain

    Fabricated using the revolutionary complementary ...
    • Darmowa próbka
    Sklep:
    Texas Instruments
    Producent:
    TEXAS INSTRUMENTS
    MPN:
    THS7375
    Dodany:
  9. 150-mA, 26-V, low-dropout voltage regulator with low-noise Sample
    Do sklepu »

    150-mA, 26-V, low-dropout voltage regulator with low-noise

    ... voltage may discharge to 5.6V and still properly ...
    • Darmowa próbka
    Sklep:
    Texas Instruments
    Producent:
    TEXAS INSTRUMENTS
    MPN:
    LM330-N
    Dodany:
  10. Automotive 5.6V to 40V, 1.2A buck converter with 3 LDOs Sample
    Do sklepu »

    Automotive 5.6V to 40V, 1.2A buck converter with 3 LDOs

    The TPS65300-Q1 power supply is a combination of a ...
    • Darmowa próbka
    Sklep:
    Texas Instruments
    Producent:
    TEXAS INSTRUMENTS
    MPN:
    TPS65300-Q1
    Dodany:
  11. 2-Channel Power Management IC (PMIC) with battery charger, one step-down converter and one LDO Sample
    Do sklepu »

    2-Channel Power Management IC (PMIC) with battery charger, one step-down converter and one LDO

    The TPS6572x device is a small power management ...
    • Darmowa próbka
    Sklep:
    Texas Instruments
    Producent:
    TEXAS INSTRUMENTS
    MPN:
    TPS65720
    Dodany:
  12. Power Management IC (PMIC) with battery charger, one step-down converter and one LDO Sample
    Do sklepu »

    Power Management IC (PMIC) with battery charger, one step-down converter and one LDO

    The TPS6572x device is a small power management ...
    • Darmowa próbka
    Sklep:
    Texas Instruments
    Producent:
    TEXAS INSTRUMENTS
    MPN:
    TPS65721
    Dodany:
  13. Automotive 5.6V to 40V, 1.2A Buck Converter with 3 LDOs and Protected Sensor Supply Sample
    Do sklepu »

    Automotive 5.6V to 40V, 1.2A Buck Converter with 3 LDOs and Protected Sensor Supply

    The TPS65301-Q1 power supply is a combination of a ...
    • Darmowa próbka
    Sklep:
    Texas Instruments
    Producent:
    TEXAS INSTRUMENTS
    MPN:
    TPS65301-Q1
    Dodany:
  14. High Speed, Low Noise Quad Operational Amplifier Sample
    Do sklepu »

    High Speed, Low Noise Quad Operational Amplifier

    The OP471 is a monolithic quad op amp featuring ...
    • Darmowa próbka
    Sklep:
    Analog Devices
    Producent:
    ANALOG DEVICES
    MPN:
    OP471
    Dodany:
    Zmiana ceny:
    -100%
  15. Low Voltage Micropower Quad Operational Amplifier Sample
    Do sklepu »

    Low Voltage Micropower Quad Operational Amplifier

    The OP490 is a high performance micropower quad op ...
    • Darmowa próbka
    Sklep:
    Analog Devices
    Producent:
    ANALOG DEVICES
    MPN:
    OP490
    Dodany:
    Zmiana ceny:
    -100%